In my last blog post, I proposed an iLogic rule that generated the overall dimensions. After that, I was contacted by someone on the "Inventor iLogic, API & VBA Forum" about that post. He asked for some modifications. Someone else also joined in and after some drinks, I got challenged to write a new rule that could "mark the dimensions of the holes (in a drawing)".
I like a challenge and I accepted it. I thought I could do it with some small modifications to my previous code but in the end, I needed to add quite a lot of code. But what I got was a nice general usages tool. Which doesn't only generate hole coordinate dimensions but can turn this:

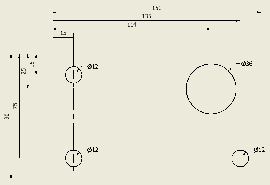
into this:
or 
This rule has the following features:
- Generating (vertical and horizontal) hole position dimensions. (Line 25, 26)
- inline or stacked can be changed by setting the boolean "_stackedDimensions" to True/False (Line 10)
- The distance from the view to the "dimension"-text can be set by the variable "_firstOffset" (Line 11)
- The distance between dimensions can be set by the variable "_offsetDimension" (Line 12. Used for stacked dimensions)
- Generating center marks and centerlines between holes (Line 27)
- Generating hole diameter dimensions (Line 28)
- Generating (vertical and horizontal) outer dimensions (Line 28, 29. Disabled by default )
Because of the setup of the rule, you can easily adapt the rule to your needs by changing value's or by "commenting outlines". ("Commenting outlines" is done by putting a ' before the function call. Like I did on lines 28 and 29)
Public Class ThisRule
Private _doc As DrawingDocument
Private _sheet As Sheet
Private _view As DrawingView
Private _intents As List(Of GeometryIntent) = New List(Of GeometryIntent)()
Private _centerPointIntents As List(Of GeometryIntent) = New List(Of GeometryIntent)()
' Some settings here for you to change.
Private _stackedDimensions As Boolean = False
Private _firstOffset As Double = 1.2 'Cm
Private _offsetDimension As Double = 0.6 'Cm
Public Sub Main()
_doc = ThisDoc.Document
_sheet = _doc.ActiveSheet
_view = ThisApplication.CommandManager.Pick(
SelectionFilterEnum.kDrawingViewFilter,
"Select a drawing view")
Dim transaction As Transaction = ThisApplication.TransactionManager.StartTransaction(_doc, "Generate dimensions")
CreateIntentList()
' Comment out features that you dont want/need!
CreateHorizontalDimensions()
CreateVerticalDimensions()
CreateMarks()
AddDiameterDimensionToCircles()
' createHorizontalOuterDimension()
' createVerticalOuterDimension()
transaction.End()
End Sub
Public Sub CreateHorizontalDimensions()
Dim orderedIntents = _intents.OrderBy(Function(s) s.PointOnSheet.X)
Dim orderedCenterIntents = _centerPointIntents.OrderBy(Function(s) s.PointOnSheet.X)
Dim pointLeft = orderedIntents.First
Dim pointRight = Nothing
Dim lastX = pointLeft.PointOnSheet.X
Dim offset As Double = _firstOffset
For Each intent As GeometryIntent In orderedCenterIntents
pointRight = intent
If (AreEqual(pointRight.PointOnSheet.X, lastX)) Then
Continue For
End If
CreateHorizontalDimension(pointLeft, pointRight, offset)
If _stackedDimensions Then
offset = offset + _offsetDimension
Else
pointLeft = pointRight
End If
lastX = pointRight.PointOnSheet.X
Next
pointRight = orderedIntents.Last
CreateHorizontalDimension(pointLeft, pointRight, offset)
End Sub
Private Sub CreateHorizontalDimension(pointLeft As GeometryIntent,
pointRight As GeometryIntent,
distanceFromView As Double)
Dim textX = pointLeft.PointOnSheet.X +
(pointRight.PointOnSheet.X - pointLeft.PointOnSheet.X) / 2
Dim textY = _view.Position.Y + _view.Height / 2 + distanceFromView
Dim pointText = ThisApplication.TransientGeometry.CreatePoint2d(textX, textY)
_sheet.DrawingDimensions.GeneralDimensions.AddLinear(
pointText, pointLeft, pointRight, DimensionTypeEnum.kHorizontalDimensionType)
End Sub
Private Sub CreateHorizontalOuterDimension()
Dim orderedIntents = _intents.OrderByDescending(Function(s) s.PointOnSheet.X)
Dim pointLeft = orderedIntents.First
Dim pointRight = orderedIntents.Last
CreateHorizontalDimension(pointLeft, pointRight, _firstOffset - _offsetDimension)
End Sub
Public Sub CreateVerticalDimensions()
Dim orderedIntents = _intents.OrderByDescending(Function(s) s.PointOnSheet.Y)
Dim orderedCenterIntents = _centerPointIntents.OrderByDescending(Function(s) s.PointOnSheet.Y)
Dim pointLeft = orderedIntents.First
Dim pointRight = Nothing
Dim lastY = pointLeft.PointOnSheet.Y
Dim offset As Double = _firstOffset
For Each intent As GeometryIntent In orderedCenterIntents
pointRight = intent
If (AreEqual(pointRight.PointOnSheet.Y, lastY)) Then
Continue For
End If
CreateVerticalDimension(pointLeft, pointRight, offset)
If _stackedDimensions Then
offset = offset + _offsetDimension
Else
pointLeft = pointRight
End If
lastY = pointRight.PointOnSheet.Y
Next
pointRight = orderedIntents.Last
CreateVerticalDimension(pointLeft, pointRight, offset)
End Sub
Private Sub CreateMarks()
Dim done As List(Of GeometryIntent) = New List(Of GeometryIntent)()
Dim orderedCenterIntents = _centerPointIntents.OrderByDescending(Function(s) s.PointOnSheet.Y)
Dim firstIntent = orderedCenterIntents(0)
Dim secondIntent = Nothing
For i = 1 To orderedCenterIntents.Count - 1
secondIntent = orderedCenterIntents(i)
If (AreEqual(firstIntent.PointOnSheet.Y, secondIntent.PointOnSheet.Y)) Then
CreateCenterLine(firstIntent, secondIntent)
done.Add(firstIntent)
done.Add(secondIntent)
End If
firstIntent = secondIntent
Next
orderedCenterIntents = _centerPointIntents.OrderByDescending(Function(s) s.PointOnSheet.X)
firstIntent = orderedCenterIntents(0)
secondIntent = Nothing
For i = 1 To orderedCenterIntents.Count - 1
secondIntent = orderedCenterIntents(i)
If (AreEqual(firstIntent.PointOnSheet.X, secondIntent.PointOnSheet.X)) Then
CreateCenterLine(firstIntent, secondIntent)
done.Add(firstIntent)
done.Add(secondIntent)
End If
firstIntent = secondIntent
Next
For Each intent As GeometryIntent In orderedCenterIntents
If (done.Contains(intent)) Then
Continue For
End If
_sheet.Centermarks.Add(intent)
Next
End Sub
Public Sub CreateCenterLine(pointLeft As GeometryIntent, pointRight As GeometryIntent)
Dim collection = ThisApplication.TransientObjects.CreateObjectCollection()
collection.Add(pointLeft)
collection.Add(pointRight)
_sheet.Centerlines.Add(collection)
End Sub
Private Sub CreateVerticalDimension(pointLeft As GeometryIntent,
pointRight As GeometryIntent,
distanceFromView As Double)
Dim textY = pointLeft.PointOnSheet.Y +
(pointRight.PointOnSheet.Y - pointLeft.PointOnSheet.Y) / 2
Dim textX = _view.Position.X - _view.Width / 2 - distanceFromView
Dim pointText = ThisApplication.TransientGeometry.CreatePoint2d(textX, textY)
_sheet.DrawingDimensions.GeneralDimensions.AddLinear(
pointText, pointLeft, pointRight, DimensionTypeEnum.kVerticalDimensionType)
End Sub
Private Sub CreateVerticalOuterDimension()
Dim orderedIntents = _intents.OrderByDescending(Function(s) s.PointOnSheet.Y)
Dim pointLeft = orderedIntents.Last
Dim pointRight = orderedIntents.First
CreateVerticalDimension(pointLeft, pointRight, _firstOffset - _offsetDimension)
End Sub
Private Sub AddIntent(Geometry As DrawingCurve, IntentPlace As Object, onLineCheck As Boolean)
Dim intent As GeometryIntent = _sheet.CreateGeometryIntent(Geometry, IntentPlace)
If intent.PointOnSheet Is Nothing Then Return
If onLineCheck Then
If (IntentIsOnCurve(intent)) Then
_intents.Add(intent)
End If
Else
_intents.Add(intent)
End If
End Sub
Private Function IntentIsOnCurve(intent As GeometryIntent) As Boolean
Dim Geometry As DrawingCurve = intent.Geometry
Dim sp = intent.PointOnSheet
Dim pts(1) As Double
Dim gp() As Double = {}
Dim md() As Double = {}
Dim pm() As Double = {}
Dim st() As SolutionNatureEnum = {}
pts(0) = sp.X
pts(1) = sp.Y
Try
Geometry.Evaluator2D.GetParamAtPoint(pts, gp, md, pm, st)
Catch ex As Exception
Return False
End Try
Return True
End Function
Private Sub CreateIntentList()
For Each drawingCurve As DrawingCurve In _view.DrawingCurves
Select Case DrawingCurve.ProjectedCurveType
Case _
Curve2dTypeEnum.kCircleCurve2d,
Curve2dTypeEnum.kCircularArcCurve2d,
Curve2dTypeEnum.kEllipseFullCurve2d,
Curve2dTypeEnum.kEllipticalArcCurve2d
AddIntent(DrawingCurve, PointIntentEnum.kCircularTopPointIntent, True)
AddIntent(DrawingCurve, PointIntentEnum.kCircularBottomPointIntent, True)
AddIntent(DrawingCurve, PointIntentEnum.kCircularLeftPointIntent, True)
AddIntent(DrawingCurve, PointIntentEnum.kCircularRightPointIntent, True)
AddIntent(DrawingCurve, PointIntentEnum.kEndPointIntent, False)
AddIntent(DrawingCurve, PointIntentEnum.kStartPointIntent, False)
If (DrawingCurve.ProjectedCurveType = Curve2dTypeEnum.kCircleCurve2d) Then
Dim intent = _sheet.CreateGeometryIntent(DrawingCurve, PointIntentEnum.kCenterPointIntent)
_centerPointIntents.Add(intent)
End If
Case _
Curve2dTypeEnum.kLineCurve2d,
Curve2dTypeEnum.kLineSegmentCurve2d
AddIntent(DrawingCurve, PointIntentEnum.kEndPointIntent, False)
AddIntent(DrawingCurve, PointIntentEnum.kStartPointIntent, False)
Case _
Curve2dTypeEnum.kPolylineCurve2d,
Curve2dTypeEnum.kBSplineCurve2d,
Curve2dTypeEnum.kUnknownCurve2d
' Unhandled curves types
Case Else
End Select
Next
End Sub
Private Sub AddDiameterDimensionToCircles()
For Each intent As GeometryIntent In _intents
Dim geo = intent.Geometry
If (geo.type <> ObjectTypeEnum.kDrawingCurveObject) Then
Continue For
End If
Dim curve As DrawingCurve = geo
If (curve.ProjectedCurveType <> Curve2dTypeEnum.kCircleCurve2d) Then
Continue For
End If
Dim rangeBox = curve.Evaluator2D.RangeBox
Dim radius = (rangeBox.MaxPoint.X - rangeBox.MinPoint.X) / 2
Dim x = curve.CenterPoint.X + radius
Dim y = curve.CenterPoint.Y + radius
Dim textPoint = ThisApplication.TransientGeometry.CreatePoint2d(x, y)
_sheet.DrawingDimensions.GeneralDimensions.AddDiameter(textPoint, intent)
Next
End Sub
Private Function AreEqual(d1 As Double, d2 As Double)
Return (Math.Abs(d1 - d2) < 0.000001)
End Function
' Copyright 2021
'
' This code was written by Jelte de Jong, and published on www.hjalte.nl
'
' Permission Is hereby granted, free of charge, to any person obtaining a copy of this
' software And associated documentation files (the "Software"), to deal in the Software
' without restriction, including without limitation the rights to use, copy, modify, merge,
' publish, distribute, sublicense, And/Or sell copies of the Software, And to permit persons
' to whom the Software Is furnished to do so, subject to the following conditions:
'
' The above copyright notice And this permission notice shall be included In all copies Or
' substantial portions Of the Software.
'
' THE SOFTWARE Is PROVIDED "AS IS", WITHOUT WARRANTY Of ANY KIND, EXPRESS Or IMPLIED,
' INCLUDING BUT Not LIMITED To THE WARRANTIES Of MERCHANTABILITY, FITNESS For A PARTICULAR
' PURPOSE And NONINFRINGEMENT. In NO Event SHALL THE AUTHORS Or COPYRIGHT HOLDERS BE LIABLE
' For ANY CLAIM, DAMAGES Or OTHER LIABILITY, WHETHER In AN ACTION Of CONTRACT, TORT Or
' OTHERWISE, ARISING FROM, OUT Of Or In CONNECTION With THE SOFTWARE Or THE USE Or OTHER
' DEALINGS In THE SOFTWARE.
End Class